Как вкрутить саморез в пластиковое окно. Оконный саморез – 6 вариантов продукции и основные особенности каждого из них
- Как вкрутить саморез в пластиковое окно. Оконный саморез – 6 вариантов продукции и основные особенности каждого из них
- Как закрутить шуруп в металлопластиковое окно. Причины срыва резьбы на оконной фурнитуре
- Просверлить отверстие в пластиковом окне для вентиляции. А у ваших окон они есть?
- Саморезы для пластиковых окон. Тип 2 – шурупы фурнитурные ремонтные
- Где сверлить пластиковое окно при установке. Как и где правильно сверлить ПВХ-окна?
- Саморезы для крепления пластика. Способы крепления
- Прокручивается саморез в пластиковом окне. Причины срыва резьбы
- Саморезы для оконной фурнитуры. Шурупы и саморезы, используемые в производстве ПВХ окон и дверей
- Длина саморезов для пластиковых окон. Чем крепить пластиковые окна?
Как вкрутить саморез в пластиковое окно. Оконный саморез – 6 вариантов продукции и основные особенности каждого из них
Icer 20 сентября, 2016 Специализация: мастер в возведении гипсокартонных конструкций, отделочных работах и укладке напольных покрытий. Установка дверных и оконных блоков, отделка фасадов, монтаж электрики, сантехники и отопления - по всем видам работ могу дать подробную консультацию.
Когда люди обсуждают саморезы для пластиковых окон, они могут иметь в виду самые разные типы изделий, поэтому в данном обзоре я решил рассказать о тех вариантах, которые востребованы больше всего. В свое время я несколько лет плотно занимался строительным крепежом, поэтому данную тему знаю не понаслышке и готов поделиться с вами всей информацией. Прочитав обзор, вы будете разбираться в вопросе лучше подавляющего большинства людей.

На фото: без саморезов невозможно представить монтаж и сборку окон из ПВХ
Виды изделий
Понятие оконных саморезов охватывает несколько групп продукции, и каждая из них имеет свои отличия и используется для разных целей. Вы должны разобраться с тем, какие работы необходимо выполнять, и только после этого можно подбирать оптимальный вариант метизов.
Тип 1 – фурнитурные саморезы

Покрытие может быть как белым, так и желтым, сам крепеж при этом совершенно одинаков
Это самый широко распространенный вид продукции, который имеет целый ряд важных преимуществ:
| Свойство | Функция |
| Гальваническое покрытие | На поверхность наносится слой цинка, цвет которого может быть либо серебристым, либо золотистым. Он обеспечивает надежную защиту металла от неблагоприятных атмосферных воздействий и выдерживает температуру до 150 градусов. Поверхность должна быть покрыта полностью, никакие изъяны не допускаются |
| Широкий шаг резьбы | Позволяет упростить вкручивание крепежа в пластик и ускорить рабочий процесс. Острый наконечник позволяет точно закручивать саморезы, они не скользят по поверхности как варианты со сверлом |
| Гальваническое покрытие | На поверхность наносится слой цинка, цвет которого может быть либо серебристым, либо золотистым. Он обеспечивает надежную защиту металла от неблагоприятных атмосферных воздействий и выдерживает температуру до 150 градусов. Поверхность должна быть покрыта полностью, никакие изъяны не допускаются |
| Специальная форма головки | Головка диаметром 7 мм имеет специальную конфигурацию, благодаря которой саморезы полностью утапливаются в поверхность, даже если вы вкручивали их вкось. Это существенно упрощает рабочий процесс и улучшает конечный результат |
| Универсальность использования | Крепеж может быть использован не только для фиксации различной фурнитуры к профилю ПВХ. Благодаря широкой резьбе этот вид продукции весьма широко используется и при работах с деревом, листовыми материалами и многими другими мягкими основаниями |
| Широкий диапазон размеров | В то время как толщина стандартна и составляет 4,1 мм, длина может отличаться. Это позволяет выбрать наилучший вариант для самых разных видов работ, стандартными являются следующие длины: 19, 22, 25, 30, 35, 38 и 45 мм. |
Как закрутить шуруп в металлопластиковое окно. Причины срыва резьбы на оконной фурнитуре
Фурнитура пластиковых окон крепится с помощью саморезов, вкручиваемых в пластиковую часть металлопластикового профиля. Его конструкция предусматривает наличие нескольких камер, одна из которых нужна специально для крепления фурнитуры.
Лопнул стеклопакет: причины, ремонт, и профилактика.
Большой неприятностью может стать срыв резьбы. То есть происходит разрушение стенки отверстия под саморез, и фурнитура начинает «болтаться». Если не предпринять никаких действий, то данный дефект может повлечь за собой еще большие разрушения.
Причинами срыва резьбы являются два основных фактора:
- При монтаже фурнитуры саморез закручивался с чрезмерным усилием и в результате повредил пластик.
- При монтаже фурнитуры саморез был закручен не до конца и в процессе эксплуатации окна был расшатан, в результате чего он повредил стенки отверстия.
Причинами срыва резьбы может стать также неправильный монтаж окна, некачественный крепежный материал, некачественный оконный профиль.
Если причиной срыва резьбы фурнитуры стала ошибка монтажника (перетянул/недотянул саморез) или неправильная технология установки окна и его фурнитуры, то можно обратится в фирму, которая занималась установкой, они по гарантии должны устранить дефект. Однако доказать свою правоту не так-то просто, ведь если резьба фурнитуры была сорвана по другим причинам, то монтажная фирма ответственности за это не несет и исправлять за счет гарантии не будет.
Подробнее о браке пластиковых окнах читайте в этой статье.
Просверлить отверстие в пластиковом окне для вентиляции. А у ваших окон они есть?
Борис Бутцев по образованию физик (окончил МИФИ), кандидат наук. Долгие годы работал в сфере производства окон, продвижения современных систем вентиляции, сейчас консультирую по любым ситуациям с конденсатом и плесенью, микроклимата и комфорта в обитаемых помещениях.
Что за «дырки»?
Если присмотреться — в раме пластикового окна масса отверстий: не только в нижней, но и в верхней части оконного профиля. Зачем они все? Для дела! Отверстия в раме пластикового окна отводят из конструкции влагу и обеспечивают вентиляцию окна, компенсируют ветровое давление и снижают нагрев цветных профилей. Рассказываем, какие отверстия для каких целей нужны. Проверьте, все ли на месте у вашего окна или изготовитель «забыл» о них «за ненадобностью».

Дренажные отверстия
Есть такая пословица: «вода дырочку найдёт». Справедлива она и по отношению к пластиковым окнам. Как бы хорошо ни были изготовлены оконные блоки из ПВХ, есть вероятность, что внутрь конструкции попадет вода. Во-первых, это может случиться во время дождя или мокрого снега. А во-вторых, при резких перепадах температуры (образуется конденсат). И если вода не сможет вытечь наружу, внутри окна образуется лед, и профиль просто разрушится. Для вывода скопившейся воды производители делают специальные дренажные отверстия в пластиковых окнах. Они бывают как в подвижной части окна (створке), так и в неподвижной — коробке оконного блока. Количество и расположение отверстий в оконной конструкции регламентируется в ГОСТах и «папках переработчика» конкретной оконной системы.
Отверстия в створке
предназначены для осушения полости между кромками стеклопакета и фальцами профилей. Согласно »Блоки оконные из поливинилхлоридных профилей. Технические условия«ГОСТу 30674-99 , они должны находиться в наиболее глубоких частях фальцев на расстоянии не более 600 мм друг от друга. В нижнем профиле створки должно быть минимум два дренажных отверстия, размером не менее 5х10 мм (либо диаметром не менее 8 мм). Чем больше оконный блок — тем больше в нем должно быть отверстий. В верхнем профиле длиной до метра делают два отверстия. Если длина профиля более метра — три.
Отверстия в коробке оконного блока
служат для отвода воды. Согласно тому же ГОСТу , нижние профили коробок и горизонтальные импосты должны иметь не менее двух водосливных отверстий размером не менее 5×20 мм, расположенных на расстоянии не более 600 мм друг от друга. Такие отверстия могут находиться как с внутренней стороны окна, так и с наружной. Последние должны быть защищены декоративными козырьками.
Отверстия для компенсации ветрового давления
Как правило, их делают в оконных системах, предназначенных для установки на высоте более 20 м. При большой ветровой нагрузке внутри окна возникает повышенное давление, из-за которого вода не может выйти через дренажное отверстие. Компенсировать ветровое давление помогают специальные отверстия в верхнем горизонтальном профиле оконной коробки, расположенные в полости между рамой и створкой.
Важно
: Отверстия должны быть смещены в стенках профиля не менее чем на 50 мм относительно друг друга. В противном случае окна могут начать «свистеть». Размер отверстий для компенсации ветрового давления регламентирован ГОСТом и должен быть не менее 5х10 мм или 6 мм в диаметре. В профилях коробки не длиннее одного метра должно быть предусмотрено два отверстия, в более длинных — три. При этом расположение отверстий не должно совпадать с местами установки подкладок под стеклопакеты.
Вентиляционные отверстия в пластиковых окнах
Делаются снаружи в цветных оконных профилях. Дело в том, что под воздействием солнечных лучей такие профили могут перегреться, а потом и деформироваться. Уменьшить воздействие солнца на профиль и избежать негативных последствий помогает вентиляция наружных камер. Для этого с каждой стороны оконного профиля делают минимум одно сквозное отверстие (через стенки наружных камер профилей створок и коробок), диаметром 5–6 мм.
Важно:
Любые технологические отверстия в пластиковых окнах (для вентиляции, вывода воды, компенсации ветрового давления) не должны проходить через стенки основных камер оконных профилей. Края отверстий должны быть ровными, без заусенцев, препятствующих отводу воды. Как чистить отверстия в окнах Дренажные отверстия в окнах из ПВХ периодически забиваются, препятствуя эффективному удалению воды. Чтобы избежать образования льда внутри оконного блока, отверстия нужно периодически прочищать. Сделать это довольно просто при помощи обычного бытового пылесоса.
- Вытираем окно от пыли и тщательно моем.
- Берем пылесос и стараемся вытянуть всю грязь из дренажных отверстий.
- С помощью ватной палочки или зубочистки убираем все, что не удалось удалить пылесосу.
Саморезы для пластиковых окон. Тип 2 – шурупы фурнитурные ремонтные
Данная категория изделий походит на предшествующую, однако имеет целый набор различий:
- Главное назначение этой вариации – крепление фурнитуры и иных частей в случаях, когда во время вкручивания обыденных шурупов сорвалась резьбовая часть . У данного типа увеличен диаметр, он составляет 4,8 мм, потому крепежный элемент отлично держится в отверстиях от фурнитурных метизов;
- Помимо того, увеличенный диаметр делает этот вариант гораздо прочнее, что дозволяет применить его не только лишь на окнах, но также и при работах с деревом . Острый наконечник и широкий резьбовой шаг дозволяют применить этот вариант не только лишь на окнах из ПВХ;

Объемная толщина существенно увеличивает прочность
- Рёбра на нижней части головки дозволяют надёжно закреплять крепежный элемент и предотвращать его проворачивание. Покрытие может быть как серебристым, так и золотистым, особого различия нет;
- Головка имеет диаметр 7 мм, полукруглая верхняя часть обеспечивает высококачественное утапливание, даже если крепежный элемент пошёл не под прямым углом . Работа проводится при помощи насадки РН2.
Выбор типоразмеров достаточно велик, однако для пластиковых окон более нужны варианты длиною 25 и 38 мм.
Работать с данным крепежом собственноручно совсем не сложно: он просто вкручивается в отверстие от обыденного фурнитурного шурупа, никаких добавочных операций не требуется. Если вы вкручиваете его в пластик без отверстия, то добавочное сверление не требуется. Однако если вы работаете отверткой, а не шуруповёртом, то лучше все ж заранее пройти сверлом 3,5 мм, вкрутить шуруп вручную без подготовки очень трудно.
Где сверлить пластиковое окно при установке. Как и где правильно сверлить ПВХ-окна?
Окна из пластика можно сверлить, если без этого нельзя обойтись. Делать это нужно очень аккуратно. Самое главное, чтобы отверстия не ухудшили теплоизоляционные свойства или жесткость оконной конструкции, а крепеж не мешал беспрепятственному открыванию/закрыванию створок. Очень важно в ходе сверления не задеть сверлом стеклопакет, а также фурнитуру. Как правило, пластиковые оконные конструкции просверливают по периметру профиля.
Чтобы быть уверенным в том, что вы не заденете сверлом стеклопакет, а также не повредите замок штапика, лучше всего перестраховаться (особенно если вы не знаете насколько заглублен в профиль стеклопакет) и сделать двухсантиметровый отступ от штапика.
Сверлить ПВХ-окно нужно сверлом по металлу.
Очень часто в пластиковых оконных конструкциях просверливают отверстия под кабель (интернет, телефон, сигнализация). Одно/два отверстия, достигающие в диаметре 1 сантиметра, никак не испортят окно, если все сделать грамотно. Кроме выше перечисленных правил сверления, нужно также учесть диаметр кабеля и подобрать сверло так, чтобы кабель максимально плотно входил в отверстие. Таким образом, вам не придется использовать герметик для уплотнения лишних миллиметров.

Такого решения следует избегать, особенно в случае новых окон, так как это может стать причиной испорченной рамы, особенно в случае неумелого сверления. Поэтому перед покупкой стоит оценить, как именно можно прикрепить ваши жалюзи. Бывает, что этот выбор влияет на способ проведения измерений, потому что неинвазивные монтажные кронштейны могут быть размещены в других местах, чем если бы сборка проводилась инвазивным способом.
Можно обойтись без кардинальных методов, стоит поберечь окно, ведь в любом случае оно будет повреждено. Кроме того, через несколько лет пройдет мода на жалюзи – и захочется снова вернуть шторы. Что тогда делать с некрасивыми и трудно маскируемыми дырами в окне? Это не подходящий способ и для людей, которые живут на съемной квартире.
Чтобы не сверлить, нужно купить двустороннюю ленту и крючки, которые входят в комплект к рулонным шторам. Крючки склеивают с помощью ленты. Жалюзи из алюминия лучше всего прикреплять с помощью специальных клипс. Их нужно установить вверху створки. Эта сборка называется инвазивной. Если модель жалюзи небольшого размера, с планками 25 мм в ширину, можно использовать специальные ручки, которыми очень удобно монтировать жалюзи.
Где сверлить металлопластиковые окна?
Разрешается по всему периметру оконного профиля, поперек или вдоль, а иногда даже по штапиках, которые держат стекло. А вообще-то этого лучше не делать. Сверлить в описанных местах по периметру приходится очень часто.
Для подоконника в раме есть специальный желоб, его и нужно использовать.
Рассуждая о месте сверления, стоит помнить, что стеклопакет – это наиболее слабое место, а также те места, где крепятся штапики. От замка также стоит держаться подальше. Все остальные места пригодны для сверления. Самой нежелательной зоной считаются 2 см к стене, где начинается крепление штапика.
Сверло не должно задеть фурнитуру, стекло, и создавать помехи во время открывания/ закрывания конструкции.
Сверлить разрешается, но при этом количество сделанных дыр должно сводиться к минимуму, а их диаметр должен быть меньше, чем саморез, который нужно в них вкрутить, либо точь-в-точь как кабель для телевидения, который нужно просунуть через окно. В противном случае будет нарушена металлопластиковая конструкция и теплоизоляция.
Чем сверлить металлопластиковые окна?
Для просверливания рамы можно использовать:
- болты;
- саморез;
- анкера;
- пресшайбу;
- роллеты;
- быстрый монтаж;
- шуруп.
Специальных саморезов не существует для пластиковых окон, а ведь многие думают, что это не так.
Иногда производители рекомендуют их, конечно. Например, шурупы с потайной головкой, покрытые цинком. Но они очень плохо вкручиваются без использования сверла, потому что очень тонкие и не имеют своего сверла. Нужно брать сверло по металлу немного меньше по размеру, чем саморез, чтобы вкрутить его ровно.
Лучше взять саморез с буром (винтом) на конце. Он легко вкручивается в поверхность.
Доверьтесь специалистам компании «Оконная Мастерская», они помогут Вам с ремонтом металлопластиковых окон. Мы грамотно Вас проконсультируем и, в случае необходимости, наша команда проведет все нужные работы. Звоните!
Саморезы для крепления пластика. Способы крепления
Существует три метода, как крепить к стене панели ПВХ, — саморезами, кляймерами, клеевой. Крепление с помощью клея подойдёт только для идеально ровных стен. Перед использованием нужно выровнять, вычистить и высушить поверхность для крепления. После на материал наносится равномерное количество клея, и он закрепляется на стену.
Виды клея для монтажа ПВХ-панелей :
- специальная клеевая смесь для поливинилхлоридных панелей;
- универсальный клей «Момент-монтаж»;
- гвозди жидкие.
Для поклейки можно использовать каркас. Благодаря ему нет необходимости выравнивать поверхность стен, а клеевой состав наносится на обрешётку с дерева. Категорически противопоказано пользоваться клеевым материалом с такими составными, как очиститель или растворитель.
Крепление саморезами — один из беспроигрышных способов крепления пластика, для которого не требуется выравнивать поверхность до идеально ровного состояния . Чтобы работа не затягивалась на долгое время потребуется шуруповёрт для вкручивания саморезов. Минус этого метода крепления: более подходящий каркас в этом случае — деревянный, так что потребуется больше времени, чтобы распилить брус и обработать его антисептиком.
Самый лучший вариант — это крепление кляймерами. Их удобно и быстро крепить в обрешётке. Кляймеры способствуют надёжному фиксированию материала на стене. Обрешётка легко собирается из металлопрофиля. В случае повреждения вагонки её нетрудно поменять на новую. Монтаж отделки производится быстро.
Прокручивается саморез в пластиковом окне. Причины срыва резьбы
Специалисты, которые не первый год занимаются ремонтом и монтажом пластиковых окон, говорят о 2-х основных причинах срыва:
- При монтаже мастер «не рассчитал» силу, поэтому немного задел и повредил пластик. Со временем неприятность становится более заметной и дает о себе знать.
- Вы используете пластиковое окно на протяжении длительного времени, поэтому оно вполне закономерно вышло из строя.
- При монтаже фурнитуры мастер отвлекся и закрутил саморез не до конца. Вы пользовались пластиковым окном, не обращая внимания на эту особенность. В результате саморез сильно расшатался, получились трещины или повреждения на стенках отверстия.
- В процессе монтажа пластикового окна и фурнитуры кто-то решил сэкономить. Крепежный материал низкого качества достаточно быстро вышел из строя.
- Монтаж пластикового окна выполнен неправильно, из-за чего крепеж испытывает повышенные нагрузки. А через некоторое время не выдерживает и «срывается».
- Оконный профиль выбран самый дешевый, материалы не отличаются качеством, поэтому пластик быстро разрушается под воздействием внешних нагрузок.
Во всех этих и многих других ситуациях вам может потребоваться профессиональный и качественный ремонт фурнитуры. Если причиной является некачественный монтаж, то за устранением проблемы необходимо обращаться к той компании, которая выполняла работы. Они допустили оплошность, поэтому должны ее исправить бесплатно.
Но если дефект возник по другим причинам, вам придется заплатить за выполнение ремонтных работ из собственного кармана.
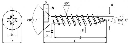
Саморезы для оконной фурнитуры. Шурупы и саморезы, используемые в производстве ПВХ окон и дверей
Мне нравится
189Для производства ПВХ окна используется 4 основные вида шурупов и саморезов:
1 Саморезы для крепления фурнитуры 

Саморез имеет: острый наконечник, резьбу с редким шагом по всей длине самореза, потайную головку со шлицем PH2. Головка шурупа может быть с насечками и без насечек.
Основные типоразмеры: 4х25мм, 4х30мм, 4.1х25мм, 4.1х30мм, 4.2х25мм, 4.2х30мм
Назначение данного вида крепежа - крепление фурнитуры к профилю ПВХ.
2 Саморезы для крепления армирующего профиля 

Саморез имеет: наконечник с буром, резьбу с частым шагом по всей длине самореза, потайную головку со шлицем PH2. Головка шурупа может быть с насечками и без насечек.
Основные типоразмеры: 3.9х16мм, 3.9х19мм, 3.9х25мм
Назначение данного вида крепежа - крепление металлического армирующего профиля к профилю ПВХ.
3 Саморезы для крепления петлевой группы
Данные саморезы предназначены для крепления петлевой группы к профилю ПВХ. По конструктиву схожи с саморезами для крепления фурнитуры либо с саморезами для крепления армирующего профиля (в зависимости от того, используется саморез с буром или с острым наконечником)
Основные типоразмеры: 3.9x32мм, 3.9x38мм, 4х30мм, 4х35мм, 4х40мм, 4.2х30мм, 4.2х35мм, 4.2х40мм
4 Универсальные шурупы и саморезы для крепления механического соединителя импоста к импосту.
Данный крепеж может иметь различные типы головок: потайная, полукруглая либо с пресс-шайбой. Шлиц PZ2/PZ3 либо PH2/PH3, резьба полная либо не полная.
Основные типоразмеры: 6х70мм, 6.3х70мм, 5х70мм, 5х90мм
Шуруп – это винт, легко вворачивающийся в любой мягкий материал, образуя в нем резьбу. К таким материалам относятся пластик и дерево.
Резьба шурупа имеет редкий шаг и наносится на резьбовой участок шурупа в виде конической формы, который к окончанию шурупа сужается. Резьба на шурупах может нарезаться по всей его длиннее или только по его части.
Шурупы бывают разных размеров и напрямую зависят от его предназначения. Такой крепеж имеет различный вид головки. Это так же зависит от его применяемости.
Для вкручивания шурупа в материал требуется предварительно просверлить отверстие меньшего диаметра, чем сам шуруп.
Саморез - по своим характеристикам и внешнему виду похож на шуруп, но имеет несколько отличий:
1. саморез более прочный
2. резьба всегда полностью покрывает цилиндрическую часть самореза
3. наконечник самореза более острый, чем наконечник шурупа
4. шаг резьбы может быть редким, частым или комбинированным.
5. для вкручивания самореза не требуется предварительное сверление отверстия.
- Потайная головка
При вкручивании утапливается в материал таким образом, чтобы не было выступающих частей. Основная масса крепежа используемого в производстве ПВХ конструкций имеет именно такой вид головки. На конусную часть потайной головки могут быть нанесены специальные насечки. Они служат для снятия стружки с поверхности примыкания головки к материалу, которая образуется при вкручивании самореза или шурупа. Насечки также служат в качестве стопора, если для вкручивания используются специальные автоматы.
- Полукруглая головка
Благодаря широкой несущей поверхности, эффективно удерживает закрепляемый элемент. Использование такой головки оправдано, когда нет особой необходимости сохранять ровной поверхность закрепляемого элемента.
- Головка с пресс-шайбой
Такой вид головки, как и предыдущий, имеет широкую несущую поверхность и малую высоту. Благодаря увеличенной несущей поверхности данный вид головки хорошо подходит для надежного крепления листовых материалов. Некоторые производители используют крепеж с такой головкой для фиксации пластиковых механических соединений в таких профилях, как Rehau, Brusbox.
Длина саморезов для пластиковых окон. Чем крепить пластиковые окна?
Привет, читатели! Давненько не писал в блог. Начался сезон установки и регулировки окон перед зимой. Все хотят утеплиться.
Так вот, многие клиенты интересуются, как же мы крепим пластиковые окна. Скажу сразу, единого крепления нет.
Все зависит от места установки окна. Поэтому мы можем использовать анкера или пластины. Вообщем надоело отвечать на одни и те же вопросы и я решил их поместить в одну статью, ссылку на которую будут давать всем своим новым клиентам.
Надеюсь и вам пригодится данная информация. Читайте, знакомьтесь.
- Дерево;
- Газобетон, пенобетон, шлакоблок;
- Бетон.
Во вторую очередь, от типа конструкции и технических условий монтажа:
- Лоджии;
- Входные двери;
- Окна;
- Витражи.
Чем крепить пластиковые окна. Виды крепежа
1. Анкер или рамный дюбель. Бывает диаметром 8 мм, но практика показывает, что оптимальный диаметр рамного дюбеля — 10 мм. На мой взгляд самый надежный и удобный крепеж для окон.
Имеет различную длину: 72 мм, 92 мм, 112 мм, 132 мм, 152 мм, 182 мм, 202 мм. Используется следующим образом:
В оконной раме сверлится отверстие сверлом по металлу диаметром 10 мм. Затем, перфоратором бурится отверстие в бетоне, прямо через раму.
Далее, вставляется рамный дюбель и забивается в бетон, пока не упрется в раму. После чего закручивается винт. Есть мнение, что дюбель надо утапливать внутрь профиля.
Я считаю это необязательным. Потому, как для шляпки дюбеля, даже существует специальная декоративная заглушка. А прочность крепления в обоих случаях практически одинаковая.
2. Анкерная пластина. Для каждого вида оконного профиля, особенно популярного, производят определенный тип анкерных пластин. Но поскольку, по технологии пластины нужно прикручивать к оконной раме, то можно использовать любые пластины для окон ( только в целях экономии конечно ).
Кстати, по поводу прикручивания пластин в раму. Есть, так называемые, пластины-крабы. То есть, они врезаются или защелкиваются в профиль.
Так вот, в случае наличия четверти в проеме, многие монтажники не прикручивают такие пластины. Наружу окно не выпадет, и это самое главное. Ведь четверть удерживает окно.
Нужно сказать, что бывают случаи (в настоящее время реже), когда монтажники окон, грубо нарушая технологию монтажа, вообще не используют крепеж. Просто фиксируют окно клиньями и заливают монтажной пеной.
Надеюсь, Вас такие случаи пройдут стороной.
3. Шурупы по дереву. Используется для крепления окон в дерево. Самый дешевый крепеж, и это наверное единственный плюс.
4. Шуруп по бетону. Используется по моему только в Европе. Зашел в профессиональный магазин «Крепеж» в С-Петербурге, где много чего можно купить, поговорил с продавцами. Нет у них этих шурупов.
Чем крепить пластиковые окна в кирпич?
Кирпич — это хороший материал для строительства зданий. Но крепить пластиковые окна в кирпич, порой проблематично. В чем собственно сложность?
Если использовать рамный дюбель, то сверлить отверстия в раме под этот дюбель лучше не заранее, а по месту.
Это нужно для того, чтобы попасть анкером прямо в середину кирпича, а не в раствор между кирпичами. Так, конечно никто не делает ( я, кстати, тоже). Ведь это потеря времени.
Рамный дюбель, желательно выбрать максимально большой длины ( минимальный заход в кирпич 6 — 10 см ). Если кирпич пустотелый, то используйте 202-й анкер.
Применять анкерные пластины в кирпич можно, если вы уверены в том, что кирпич не пустотелый. Но даже цельный кирпич бывает плохого качества. И закрепить в него пластину, не профессионалу, будет очень сложно.
Чем крепить пластиковые окна в дерево?
Идеальный вариант крепежа окон для дерева — это анкерные пластины. И никто не сможет меня в этом переубедить. Каркасные дома или брус, только пластины.
Из своего горького опыта расскажу, как крепил окна шурупами в верхнюю часть коробки в доме из бруса. И обсада была, и зазор около 4 см. Через год брус начал садиться, и эти шурупы вместе с брусом вошли прямиком в стеклопакеты.
В итоге, несколько стеклопакетов заменил по гарантии. Попал на деньги. После этого случая, если пользуюсь шурупами, то только в исключительных случаях, и только в боковые части оконной коробки.
Кстати, даже при строительстве каркасных домов, профессионалы не рекомендуют использовать закаленные шурупы. Дерево — живой материал и при движении шурупы ломаются, а гвоздь например гнется. Такой же принцип и с анкерной пластиной.
Анкерные пластины для деревянных домов хороши по следующим причинам:
- Быстрый монтаж;
- Компенсирует температурные расширения;
- Не влияют на оконные конструкции при усадке.